发布时间:2020-09-07 13:36:46 |来源:网络转载
智能称重仅表适用于所有电阻式或应变式测力传感器;它的非线性误差不太于满刻度的0,。1%;具有毛重、净重、皮重的显示和皮重、最大量程的设定以及分度值调整、零点自动跟踪、掉电数樹保护、幵机自诊断和自动置零等功能;小数点有四种位置可以进HRS232或电流环数据输岀。
现对其主要电路特征、硬件结构与原理、软件设计等进行分析和探讨。
1模拟输入接口电路及其特征
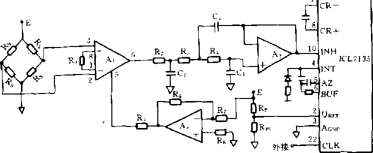
精心设计模拟输入接口电路,是保证整套仪表的精度及穏定性的关键。模拟输入接口电路由仪器专用的高精度放大排、有源低通滤波器JCL7135型4片位高精度A/D转换器等组成、如图1所示。

在图1电路中.A,采用美国A/D公司的产品AD62U组成高精度放大感:它是在传统的三片运放方式的基础上作一些改进,绝对值校准仗用一1、电阻玦就能对增益逬行准确的制定’平片结构却激光晶片校准使电路元件间的匹配和跟踪恰到好处、从而保证了线路的良好性能。由于AD62O具有很髙的精度(最大非线性为40。ppm.最大失调电压为
最大失调漂移为0-6Mv/C),并且比传统的三片运放组成的电路性能优越,因此将它用于数据采集系统是较理想的器件。
由G、Cz、C3、Rz、R3、R〈、A2组成三阶有源滤波器.对阶跃输入具有低通贝塞尔特性最小过冲响应和快速上升功能,其阻断频率侦一3dB)设置为2Hz,它能很好地降低噪声,提高测量精度。
在忽略传感器的非线性持征时.传感器的输出电压为:
rT&EL=矿G.
式中。——传感器的灵敏度;E——传感器的激励电压;Gf传感器的満刻度负荷值;。一-一被称物体重量。
传感器的输出加到&的输入端.若A的5脚接到模拟地,则它的输岀为:
式中为&的放大系数。
如图1所示,与常用的仪用放大器不同的是5脚并没有接到模拟地,而是接到A、死、R,、Ra组成的反相比例放大器的输出端,所以有:
将以)式与(3)式进行比较,可以看岀的输出H向负向发生了固定偏彩值.因而可以充分利用ICL7135从一2V到+2V的输入信号范围,由此可将数据采集系统的内斜辩率提高一倍。
E通过&进行滤波后加到ICL7135的输入端,E通过精密电阻分压后得到参考电压U蕉f加到了ICL7135的第2脚JCL7135将模拟量变为数字量,最终的数字读数为:
<4)式表明,采用、电压比率测量法,可减轻对激励源高精度和高稳定度的要求和压力一ICL7135是双积分A/D转换器。其本身的积分敦应,已对50Hz市电及其较筒次莅氓有良好的抑制能力,故软件设计时,可不专门针对抗工频进行处理,但在和用A/D器件本身的性能消除工濒的干扰时,应注意収A/D电路的信号积分工作时冋为工频的整数倍。
2系统硬件结构与工作原理
系统硬件框图如图2所示;。

2-1MCS—51系列单片机称重仪表的核心是MCS一
51系列单片机8031-由于系统本身不带只读存储器(ROM),外部通过74LS373地址锁存器扩展了一片电可编程只读存储器<EPROM)2764,作为程序存储器,用于存放系统的控制程度、显示器、键盘和打印机的监控程序等.同时也扩展了一片数据存储器,用于实时数据采集和处理。
8031通过扩展一片可编程并行I/O器8155与数据采集部件1CL7135联接,进行数据的采集和处理。数据的输入和输岀.由一片键盘、显示器接口芯片8279来完成.
打印输出设备是嵌入仪器面板上的TP-150微型打印机,该机采用标准并行接口方法.由于打印机内部没有数据锁存能力,所以8031的数据口已,经74LS373锁存后.与打印机的数据线以〜仁相连.
2-2数据的管理、联机存取和在线修改
称重仪表的RS232通讯接口.扩展了一片MAX211,用于进行电平转换及重量数据的发送,可与上位机进行通讯,组成称重数据管理系统。
仪表扩展了一片串行E2PROM2402,它不但具有ROM的长期非易失性,而且具有RAM的联机随机可读性«2402的信息可联机存取,掉电后又不丢失信息,主要用于称重仗表的数据标定.零位跟踪时间范围的调整,最大量程、小数点、分度间距、波特率的设定等数据的在线修改。
2402的容量2KB.结构为256X8,辛用单电源5V供电,它的引脚图以及与8031的连接方法如图3所示。

SDA和SCL两条双向总线通过一上拉电阻接至5V、并采用12C一bus(Inter—ln-tergradCircuitbu”)汇流总线技术、将所有的控制命令和数据传输均纳入该两总统执行、从而实现对2402的读写。
2-3掉电保护线路
単片机系统中的RAM是易失性的数据存情器,一旦电源去掉、内部的所有信息均会失去,故采用了如图4所示的掉电保护线路。本称重仪表釆用的RAM为K264,该芯片有一个可前于掉电保护。

图4中顷为电压比较
器、稳压管W提供3-5V稳压值、当Vw为十5V吋.R:上的分压值由尸丄5V、使Uj输岀也它高电T-,6264处于工作状态、单片机可对RAM逬行俘储*当电源掉电时、七展叶始下降;当
Ut写U,输出均为低电平.RAM逬人数据保护状态。当重新上电时.\¥c跃变为+5V.U1输出端会出现瞬间尸疣脉冲,由于R..C的积分延时tE:不会立即升至高电平:当延时结束.电源电压稳定时,CEz升为高电平,RAM转为工作状态。
3系统软件的设计
基于结构化程序设计的思想,对每个子程序模块单独进行设计、调试,使程序避免重复性且具有清晰的总体结构.最后组成完整的软件匸系统主要由以下几部分组成:主程序、数据采集程序、数据处理程序、键盘处理程序、显示及打印程序、数据通讯程序、超载报警程序等.系统主程序框图如图5所示.
主程序完成系统的初始化、打印、显示及键盘扫描功能.数据采集程序是完成对传感器信号的采集、数字滤波以及标度变换等功能。
数据处理程度是将采集的数据通过一定的数学模型进行计算,最后得出真实的重量值。
键盘处理程序是完成键盘信号的输入,系统参数的设定.系统数据的核定等功能.
数据通讯程序是完成重量数据,通过RS-232或电流环接口输岀的功能,并可与上位机连接,组成称量管理系统。
超载报警程序是对称重数据与系统设定的最大重量值进行比较,对超载重量数据进行声光报警。
4结束语
智能称重仪表系统硬件全部自行设计.结构合理;而软件采用模块化设计,调试简单.总体结构清晰.可以满足实吋測量和数据处理的要求。该称重仗表检测精度高、功能全、工作可靠、价格可在电子商器中广泛应用。
文章来源于网络转载,侵删